注册/ 登录 点我收藏/ 常见问题/ 在线留言/ 站点地图

欢迎来到北京源莱水处理设备有限公司官方网站!

北京源莱水处理设备有限公司

源莱企业-20年专注水处理设备行业水处理设备及配件一站式供应 服务厂家

咨询电话:010-59792055
客服咨询:13910114728

南方泵FROY系列液压隔膜计量泵

产品分类: 水泵
    偏心机构驱动,机构紧凑,设备安装空间小。的蜗轮/蜗杆结构,保证机械驱动部件连续,平稳工作
    订购热线:13910114728

      概述

      本公司代理南方泵业股份有限公司FROY系列液压膜计量泵。FROY采用偏心机构驱动,机构紧凑,设备安装空间小。的蜗轮蜗杆结构,保证机械驱动部件连续、平稳工作。

      产品特点

      ·液压驱动隔膜,隔膜寿命更长

      ·内置可调节压力释放阀自动保护隔膜和泵头部件


      ·多种材质及泵类结构可选

      ·蜗杆底部圆锥子轴承确保传动机构大负荷下长期稳定运行


      ·稳定精度±1%(调节比10%-100%)

      ·在泵运行或停止状态均可调节流量

      应用范围

      ·污水废水处理、石油、化工、电厂

      ·海水淡化反渗透系统


      ·天然气、制药、造纸、

      ·实验室

      型号

      系列型号.png

      材质

      材质.png

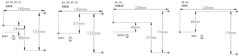
      尺寸

      尺寸1.png

      尺寸3.png

      尺寸2.png

      性能参数表

      RA1.png

      RB2.png

      RH3.png

      RP4.png

      RT5.png

      备注:1、表中所列速比为名义速比

            2、表中“加粗 倾斜”字体部分,流量为额定流量






      联系后缀 - 副本.png

      联系源莱

      联系源莱北京源莱水处理设备有限公司

      联系手机:13910114728

      总机电话:010-59792055

      公司传真:010-63780188

      联系邮箱:bjyuanlai@163.com

      联系地址:北京市丰台区丰科路万达广场B座6号院3号楼7层708

      * 表示必填采购:南方泵FROY系列液压隔膜计量泵
      * 联系人: 请填写您的真实姓名
      公司名称: 请填写您的公司名称
      联系电话:
      * 手机号码: 请填写您的联系电话
      电子邮件:
      联系地址:
      * 采购意向描述:
      请填写采购的产品数量和产品描述,方便我们进行统一备货。
      验证码: 验证码

      相关资讯

      我要评论:  
      内 容:
      (内容最多500个汉字,1000个字符)
      验证码: 看不清?!
       
      联系源莱
      源莱
      北京源莱水处理设备有限公司

      联系手机:13910114728

      总机电话:010-59792055

      公司传真: 010-63780188

      联系邮箱:bjyuanlai@163.com

      联系地址:北京市丰台区丰科路万达广场B座6号院3号楼7层708